logo

495AG قطعات جاوا موتور دیزل - پروانه - 495AG-15101

1
MOQ
495AG قطعات جاوا موتور دیزل - پروانه - 495AG-15101
امکانات گالری توضیحات محصول درخواست نقل قول
امکانات
مشخصات
برجسته کردن:

دریچه پروانه ای در موتور دیزل 495AG,495AG-15101 قطعات یدکی موتور,قطعات جایگزین پروانه موتور دیزل

,

495AG-15101 engine spare part

,

diesel engine butterfly replacement part

اطلاعات اولیه
محل منبع: چین
شماره مدل: 495AG-15101
پرداخت
زمان تحویل: 7-30 روز مختلف با توجه به مقدار سفارش
شرایط پرداخت: L/C، T/T
قابلیت ارائه: 1000 عدد در هفته
توضیحات محصول

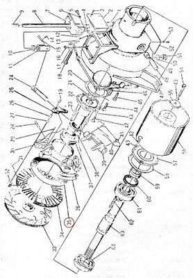
قطعات یدکی موتور دیزل 495AG

نام قطعه: پروانه 

کد قطعه: 495AG-15101

نقشه قطعه:

495AG قطعات جاوا موتور دیزل - پروانه - 495AG-15101 0

ساخت چین

 

محصولات توصیه شده
با ما در تماس باشید
تماس با شخص : Miss. Jane
تلفن : +86-13338101171
فکس : +86-510-82137809
حرف باقی مانده است(20/3000)